產品介紹
G系列全封閉齒輪減速機
一、產品特點:
1、全封閉全壽命機電一體化設計 2、硬齒面斜齒傳動,低噪聲、高效率
3、整體結構緊湊、重量輕、適應性強 4、可附加電磁制動器
二、型號標記:

注:箱體材料:L—鋁合金、H—鑄鐵 安裝型式:W—底腳式、F—法蘭式
標志示例:
A GHWZ40-50
雙軸鑄鐵箱體臥式,40機型號,減速比50
B GLF28-550-50
立式名合金箱體、28機型號、直聯專用電機55W,減速比50。
C GLW28K-80B85-30
臥式鋁合金箱體,28機型號,輸入端IEC標準電機法蘭80B5,減速比30
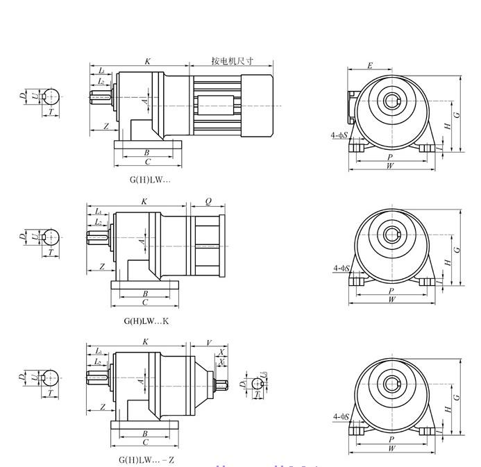
三、結構圖例:

G系列封閉式齒輪減速機技術參數
功率KW
機型號
減速機
輸出轉矩N.m
輸出轉速rpm
0.12
0.18
18
3
3.4
460.0
5
5.6
276.0
10
11.2
138.0
15
16.9
92.0
20
22.5
69.0
25
28.1
55.2
30
33.8
46.0
40
45.1
34.5
50
56.3
27.6
22
60
67.6
23.0
80
90
17.3
100
112
13.8
120
135
11.5
160
180
8.7
200
225
6.9
0.25
0.37
22
3
7
460.0
5
11.6
276.0
10
23.1
138.0
15
34.7
82.0
20
46.3
69.0
25
57.9
55.2
30
69.5
46.0
40
92.6
34.5
50
115
27.6
28
60
139
23.0
80
185
17.3
100
231
13.8
120
277
11.5
130
350
8.7
200
350
6.9
0.55
0.75
28
3
14
466.7
5
23.4
280.0
10
46.9
140.0
15
70.4
93.3
20
93.9
70.0
25
117
56.0
30
140
46.7
40
187
35.0
4
50
3
75
478
5
125
287.0
10
250
143.5
15
375
95.7
20
500
71.8
25
626
57.4
30
751
47.8
40
1001
35.9
50
1252
28.7
0.12
0.18
18/28
300
315
4.6
375
350
3.7
450
350
3.1
22/32
600
500
2.3
750
500
1.8
900
500
1.5
1200
500
1.2
80
375
17.5
100
469
14.0
120
550
11.7
160
550
8.8
200
550
7.0
1.1
1.5
32
3
28.1
470.0
5
46.9
282.0
10
939
141.0
15
140
94.0
20
187
70.5
25
234
56.0
30
287
47.0
40
375
35.3
50
469
28.2
60
563
23.5
80
750
17.6
100
820
14.1
120
820
11.8
160
820
8.8
200
820
7.1
120
1120
11.8
160
1320
8.8
200
1320
7.1
0.25
0.37
40
3
56.3
470.0
5
93.9
282.0
10
187
141.0
3
56.3
470.0
5
939
282.0
10
187
141.0
15
281
94.0
20
375
70.5
25
469
56.4
30
563
47.0
40
751
35.3
50
50
820
28.2
60
1126
23.5
80
1320
17.6
100
132
14.1
0.25
0.37
22/32
28/40
300
500
4.6
375
500
3.7
450
500
3.1
600
820
2.3
750
820
1.8
900
820
1.5
1200
820
1.2
0.55
0.75
28/40
300
820
4.7
375
820
3.8
450
820
3.1
32/50
600
1320
2.4
750
1320
1.9
900
1320
1.6
1200
1320
1.2
法蘭式外形安裝尺寸

| G系列全封閉齒輪減速機 | ||||||||||||||||||||||||||||||||||||||||||||||||||||||||||||||||||||||||||||||||||||||||||||||||||||||||||||||||||||||||||||||||||||||||||||||||||||||||||||||||||||||||||||||||||||||||||||||||||||||||||||||||||||||||||||||||||||||||||||||||||||||||||||||||||||||||||||||||||||||||||||||||||||||||||||||||||||||||||||||||||||||||||||||||||||||||||||
|
一、產品特點: 1、全封閉全壽命機電一體化設計 2、硬齒面斜齒傳動,低噪聲、高效率 3、整體結構緊湊、重量輕、適應性強 4、可附加電磁制動器 二、型號標記:
注:箱體材料:L—鋁合金、H—鑄鐵 安裝型式:W—底腳式、F—法蘭式 標志示例: A GHWZ40-50 雙軸鑄鐵箱體臥式,40機型號,減速比50 B GLF28-550-50 立式名合金箱體、28機型號、直聯專用電機55W,減速比50。 C GLW28K-80B85-30 臥式鋁合金箱體,28機型號,輸入端IEC標準電機法蘭80B5,減速比30 三、結構圖例:
G系列封閉式齒輪減速機技術參數
法蘭式外形安裝尺寸
|

a>